• -10%

Curva 90 gradi maschio-femmina Bronzo

Guidi s.r.l.
18.20210

Curva maschio-femmina realizzata in bronzo.

€ 5,42
Iva inclusa
€ 6,02Risparmi 10%
Ø in pollici: 1/4 pollice
Materiale: Bronzo
Quantità

  Pagamenti Anti-Frode 100% sicuri.

Bonifico, Carta di Credito, PayPal , Klarna e Alma a rate, Contrassegno.

  Costo della spedizione 9,99 € in tutta Italia.

Gratuita per importi da 159,00 €.

  Per informazioni invia foto o messaggi a:

+39 340 6025886

Curva maschio-femmina realizzata in bronzo.

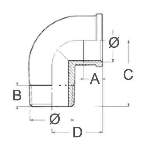
Misure

Codice BronzoØ imboccoA mmB mmC mmD mm
18.202101/4"11112822
18.201113/8"12112923
18.201121/2"14133629
18.201133/4"15154032
18.201141"18184838
18.201151"1/421226043
18.201161"1/221236346
18.201172"23237056
18.201182"1/224248867
18.201193"24249474
18.201204"303614494

Questo sito web utilizza cookie propri e di terze parti per migliorare i nostri servizi e gli Acquisti. Vedi pagina Info. Per chiudere la finestra e dare il tuo consenso al loro utilizzo, premi il pulsante Accetto.